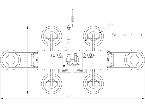
DSKEB2/12V (750 kg)
NOLEGGIO: SI
ACQUISTO: SI
Ventosa DSKEB2/12V 750 kg
L’evoluzione della già nota versione da 600 kg, unisce tutte le qualità della sorella gemella, ad un telaio rinforzato ma compatto.
In aggiunta, tutte gli aggiornamenti tecnici delle versioni 2022:
Pompe vuoto maggiorate.
Sistema di sgancio rapido ( su richiesta ).
Comando a cavo o comandi a bordo macchina.
Radiocomando per le sole funzioni di aspirazione e rilascio.
La DSKEB2 750 kg, è adatta alla manipolazione di vetro, ceramica, acciaio e pannelli; grazie alle sue ridotte dimensioni è trasportabile anche nel baule della macchina, è dotata di carrello per un facile trasporto. L’attacco è regolabile in tre posizioni per un migliore bilanciamento.
Dotata di due tipologie di estensioni, la DSKEB2 750 kg unisce le proprietà di una ventosa lineare alla versatilità di una tradizionale.



















